○豊能町子ども・子育て支援法施行細則
平成27年3月23日
教育委員会規則第7号
(趣旨)
第1条 この規則は、子ども・子育て支援法(平成24年法律第65号。以下「法」という。)の施行について、子ども・子育て支援法施行令(平成26年政令第213号)及び子ども・子育て支援法施行規則(平成26年内閣府令第44号。以下「府令」という。)に定めるもののほか、必要な事項を定めるものとする。
(認定の申請)
第2条 府令第2条第1項に規定する申請書は、子どものための教育・保育給付支給認定申請書(様式第1号)によるものとする。
2 府令第11条第1項に規定する申請書は、子どものための教育・保育給付支給認定変更申請書(様式第2号)によるものとする。
(支給の認定等)
第3条 法第20条第4項に規定する認定証は、子どものための教育・保育給付支給認定証(様式第3号。以下「支給認定証」という。)によるものとする。
2 法第20条第5項の規定による通知は、子どものための教育・保育給付支給認定却下通知書(様式第4号)により行うものとする。
3 法第20条第6項ただし書(法第23条第3項において準用する場合を含む。)の規定による通知は、子どものための教育・保育給付支給認定延期通知書(様式第5号)により行うものとする。
4 府令第14条第1項の規定による通知は、子どものための教育・保育給付支給認定取消通知書(様式第6号)により行い、支給認定証の返還を求めるものとする。
(利用者負担額に関する事項の通知)
第4条 府令第7条(府令第13条第1項において準用する場合を含む。)の規定による通知は、保育料決定通知書(様式第7号)により行うものとする。
2 府令第9条第4項(府令第11条第3項において準用する場合を含む。)の規定による通知は、保育料変更決定通知書(様式第8号)により行うものとする。
(届出)
第5条 府令第9条第1項の規定による届出は、子どものための教育・保育給付支給認定現況届(様式第9号)により行うものとする。
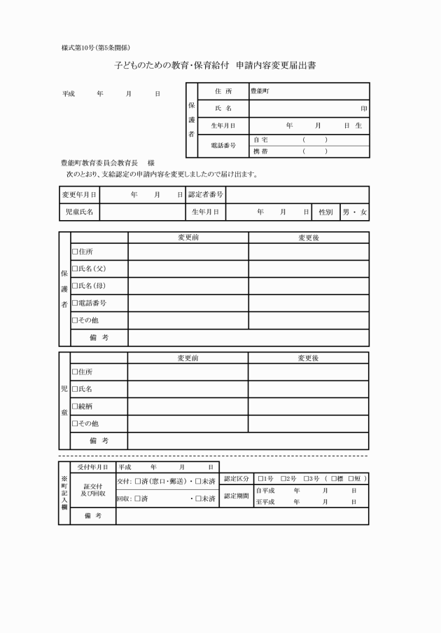
2 府令第15条第1項の規定による届出は、子どものための教育・保育給付申請内容変更届出書(様式第10号)により行うものとする。
(再交付)
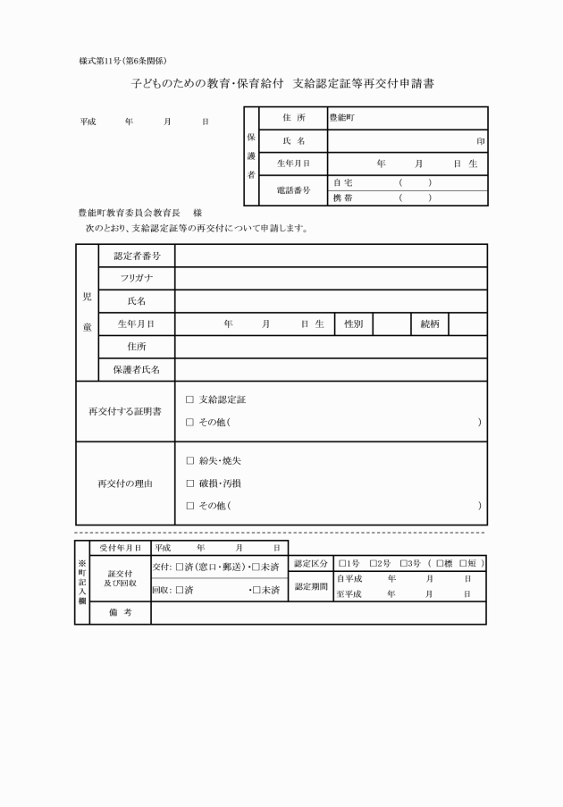
第6条 府令第16条第2項に規定する申請書は、子どものための教育・保育給付支給認定証等再交付申請書(様式第11号)によるものとする。
(確認の申請)
第7条 府令第26条に規定する申請書は、特定教育・保育施設確認申請書(様式第12号)によるものとする。
2 府令第36条に規定する申請書は、特定地域型保育事業者確認申請書(様式第13号)によるものとする。
(委任)
第8条 この規則に定めるもののほか必要な事項は、別に定めるものとする。
附則
(施行期日)
1 この規則は、平成27年4月1日から施行する。
(経過措置)
2 法第20条の規定による支給認定の手続、法第31条の規定による特定教育・保育施設の確認の手続その他の行為は、この規則の施行の日前においても、この規則の規定の例により行うことができるものとする。
附則(平成27年11月5日教委規則第16号)
この規則は、公布の日から施行する。
附則(平成28年3月31日教委規則第1号)
この規則は、平成28年4月1日から施行する。















